中山销轴DIN1434

销轴DIN1434
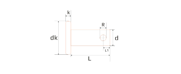
  • 产品描述:销轴是一类标准化的紧固件,既可静态固定连接,亦可与被连接件做相对运动,主要用于两零件的铰接处,构成铰链连接。销轴通常用开口销锁定,工作可靠,拆卸方便。销轴的国际标准为ISO 2341:1986。国内标准GB/T882-2008

轴类零件的材料选取需围绕 “性能适配” 与 “经济合理” 两大核心,综合考量强度、刚度、耐磨性及制造工艺性。强度是轴类零件的基础要求,需根据轴承受的载荷类型(如拉伸、弯曲、扭转)与大小,选择能承受对应应力的材料,避免使用中出现断裂或塑性变形;刚度则关系到轴在载荷作用下的变形量,若变形过大,会导致传动精度下降,尤其在精密机床主轴、汽车变速箱轴等场景中,刚度不足会直接影响设备运行稳定性;耐磨性针对轴与轴承、齿轮等部件的接触部位,频繁摩擦易导致表面磨损,需选择耐磨材料或通过表面处理提升耐磨性;制造工艺性则影响生产效率与成本,材料需易于切削、锻造、热处理,避免因工艺复杂导致制造成本飙升。例如,普通传动轴若承受载荷较小,选择易加工的碳素钢即可满足需求;而航空发动机主轴承受高温、高载荷,需选用高强度合金钢,同时通过复杂热处理工艺提升性能,虽成本较高,但能保障极端工况下的可靠性。

轴类零件的常用材料以碳素钢和合金钢为主,二者在性能与适用场景上各有侧重。碳素钢凭借成本低、工艺性好的优势,成为普通轴类零件的首选,其中 Q235、45 号钢应用最广。Q235 钢为低碳钢,强度较低但塑性好,适合制造承受载荷较小、对精度要求不高的轴,如轻型运输机的辅助轴;45 号钢为中碳钢,经调质处理(淬火 + 高温回火)后,强度与韧性搭配均衡,硬度可达 HRC22-28,能满足大多数通用机械轴的需求,如离心泵轴、减速器传动轴,且 45 号钢切削性能优异,可通过车削、铣削等工艺快速加工成型,大幅降低生产成本。合金钢则在碳素钢基础上加入铬、镍、钼等合金元素,显著提升强度、韧性与耐磨性,适用于高载荷、高温、腐蚀等恶劣工况。例如,40Cr 合金钢(含铬)经调质处理后,强度比 45 号钢高 30% 以上,适合制造汽车半轴、机床主轴等承受较大冲击载荷的轴;1Cr18Ni9Ti 不锈钢(含铬、镍、钛)则具备优异的耐腐蚀性,可用于化工设备中的耐腐蚀轴,在酸碱溶液环境中长期使用不易锈蚀。
作为一类标准化紧固件,销轴的功能与轴类零件不同,它主要用于两零件的铰接处,构成铰链连接,既可实现静态固定,又能允许被连接件相对转动。销轴的核心优势在于 “标准化” 与 “可靠性”,其国际标准为 ISO 2341:1986,国内标准为 GB/T882-2008,标准明确规定了销轴的尺寸公差、材质要求、表面处理等参数,确保不同厂家生产的销轴具备互换性,降低采购与维护成本。销轴通常采用开口销锁定,安装时将开口销插入销轴端部的孔中,再将开口销两端掰开,即可防止销轴在振动或冲击下脱落,这种锁定方式结构简单、工作可靠,且拆卸时只需剪断开口销即可,操作便捷,广泛应用于各类铰接结构,如拖拉机悬挂系统的连杆铰接、工程机械的铲斗铰接。
销轴的应用范围极为广泛,覆盖多个行业的关键设备。在环保设备领域,销轴用于污水处理设备的格栅机铰接,需耐受潮湿环境,通常选用不锈钢材质;医疗设备中,轮椅的折叠关节、手术床的调节机构依赖销轴实现灵活转动,要求销轴表面光滑、精度高,避免划伤患者或影响设备调节精度;通讯设备的信号塔支架铰接、电力设施的输电线路金具连接,销轴需长期暴露在户外,需具备耐候性,多采用热镀锌处理的碳素钢或不锈钢;在食品机械中,销轴直接接触食品,需选用符合食品安全标准的 304 不锈钢,且表面需抛光处理,防止细菌滋生;石油化工、船舶装配领域的销轴,需承受海水、油污的腐蚀,常选用耐腐蚀合金钢;建筑幕墙的连接件、泵阀管道的法兰铰接,以及露天场合的游乐设施部件连接,也均需依赖销轴实现稳定的铰链功能。
从轴类零件的材料精准选取,到销轴的标准化应用,二者均体现了机械设计中 “性能适配、经济合理” 的原则。碳素钢与合金钢的差异化应用,满足了不同工况下轴类零件的性能需求;而标准化的销轴则凭借可靠的铰接与锁定功能,成为各行业铰链连接的核心部件,共同为机械装备的稳定运行提供支撑。


珠海佳力五金制品有限公司成立于2008年,是一家专业从事工业紧固件产品生产、销售的企业公司目前主要产品有外六角螺丝、内六角螺丝、微型螺丝、紧定螺丝、各类螺帽、牙条、平垫、弹垫、开口挡圈、各种花色垫圈、12.9级合金钢高强度螺丝、内六角扳手、梅花扳手,也可根据图纸非标定制。产品主要遵守国标,德标,美标,英标及国际标准。主要服务的行业有汽车,电子,医疗设备,五金,机械,船舶,化工,通信,建筑业等,同时各类资料一应齐全,欢迎与我们联系。